Технічним відділом СПВ Компані Лтд спільно з технічним відділом компанії MUL-T-LOCK®, було вирішене питання пов’язане з проблемою установки захисного протектора стандарту EuroDIN з міжцентровою відстанню 38 мм між гвинтами кріплення в замках 4-направленого замикання.
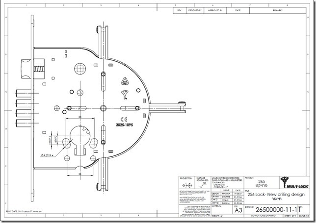
В корпус замка буде додано два нових отвори (рис.1) та змінена конструкція спейсера (пластини-підсилювача корпусу (рис. 3,4.)).При цьому виробник прибере три технологічні отвори (рис.2), які не використовувались.
Усі ці зміни дозволять використовувати 4-направлені замки з фурнітурою MUL-T-LOCK®, ROSTEX® та захисними протекторами на циліндр типу EuroDIN, що значно розширить сферу застосування замків.
Технічний відділ СПВ отримав зразки оновлених замків, успішно їх протестував.
Про строки надходження першої партії удосконалених замків Вам буде повідомлено додатково.
рис.1
рис.2
рис.3
рис.4
Усі креслення в Pdf форматі знаходяться в нашій електронній бібліотеці EXTRANET.


